服务热线 全国服务热线:

13773759188

  • 膨胀节选型指导图
膨胀节选型指导图

膨胀节选型指导图


    扫二维码查看手机官网


    产品品牌:南通紫瑞

    联系电话:13773759188


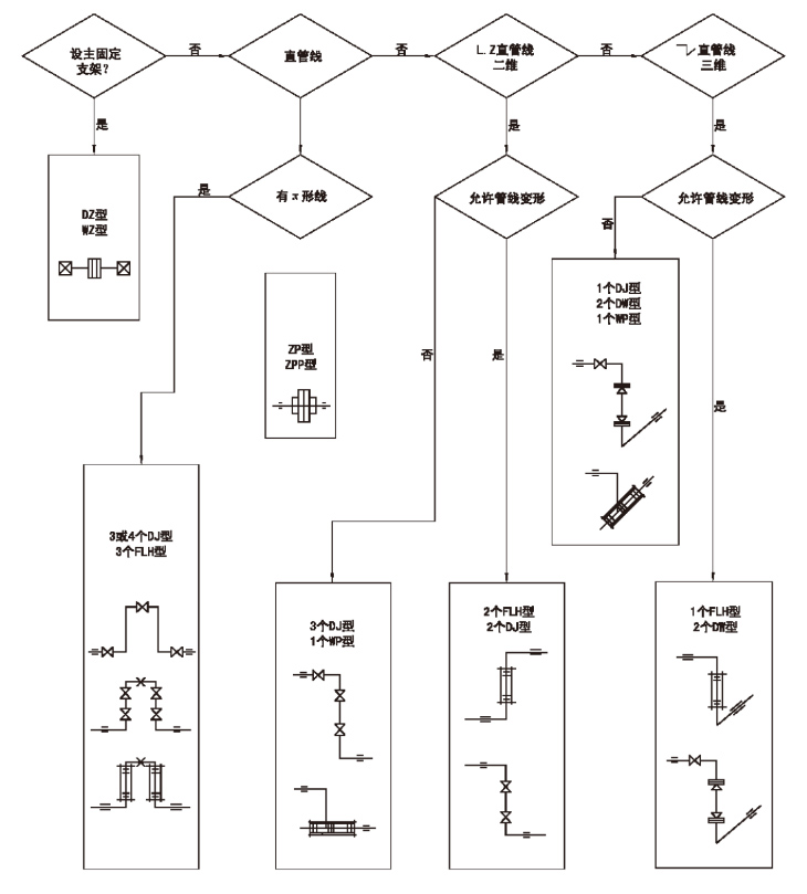
选择膨胀节之前,先将管系用固定支架(或中间固定支架)把管系划分成形状简单、独立的腾胀管段,如直管段、“L”形弯曲管段、“Z”形弯风管段等。然后根据下列框图选择其中某一类的膨胀节。

a2.jpg

上一条:没有了! 下一条:没有了!

产品展示

联系我们

公 司:南通紫瑞环保科技有限公司

手 机:13773759188

邮 箱:13773759188@163.com

地 址:江苏省南通市海安高新区谢庄村10组

Copyright © 2023-2030南通紫瑞环保科技有限公司 All rights reserved.

中华人民共和国非经营性ICP编号:苏ICP备2023012214号-1

苏公网安备32062102000707

加入成功

×

您已成功将该商品添加到购物车!

购物车当前共有0种商品合计:0.00