
扫二维码查看手机官网
一、用途
星形卸灰阀又名叶轮给料机、回转下料交等,普遍适用于建材、冶金、化工、电力等部门作为各类除尘设备的卸料装置及各种磨机、烘干机、料仓等设备的给卸料装置。
二、结构特点
该阀采用钢板焊接结构、叶片耐磨性好、叶片与传动轴刚性连接、结构紧凑、工作可靠、轻便节能。
三、工作原理
该阀由阀体、传动轴、叶片和减速器等组成,减速电机带动传动轴和叶轮旋转,完成给卸料。
四、型号编制说明

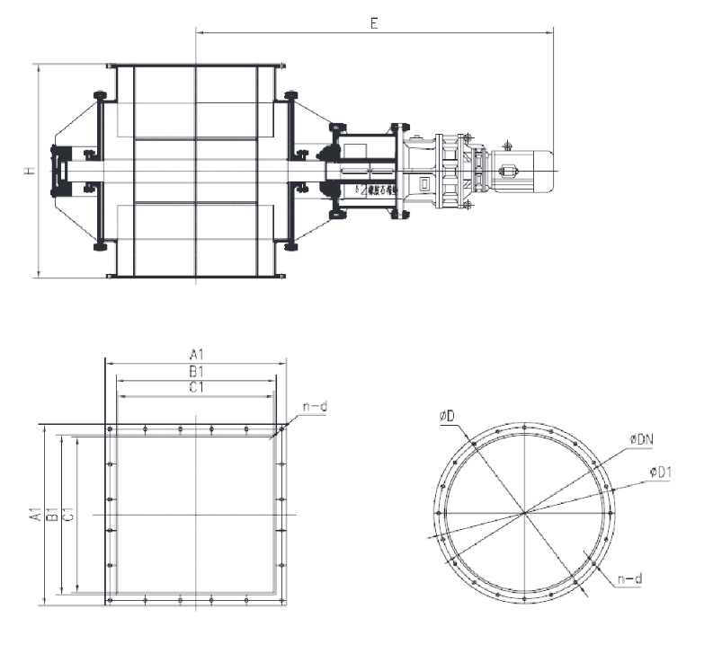
五、外形图及外形尺寸

DXV-F外形连接尺寸:


DXV-Y外形连接尺寸


六、订货须知
一、订货前,应先了解本产品技术参数、安装尺寸、转速及使用范围等择优选用配套,以免造成不必要的损失。
二、说明书中技术参数、安装尺寸及转速是我厂通用的标准,如用户单位需特殊要求,我厂可按需方要求设计、生产供货。
三、说明书中星形卸料装置壳体是焊接壳体,还可以生产铸不锈钢、铸铝、铸铜、标准铸铁等。
四、说明书中的产品配用电机以Y系列为标准,我厂还可以配用防爆电机,调速电机,变频电机,价格按国家机电标准浮动计价。
五、减速机、卸料装置减速比和输出轴(叶轮)转速有29种,请任意选用,价格以单级、双级标准计价。
六、如签订合同时没有注明安装方式,配用减速机类型,出厂按标准型:DXV—口口TX。
公 司:南通紫瑞环保科技有限公司
手 机:13773759188
邮 箱:13773759188@163.com
地 址:江苏省南通市海安高新区谢庄村10组