服务热线 全国服务热线:

13773759188

  • SWb型手动蝶阀
SWb型手动蝶阀

SWb型手动蝶阀


    扫二维码查看手机官网


    产品品牌:南通紫瑞

    联系电话:13773759188


一、用途

手动蝶阀是由ZPS型手轮机构及阀体二大部件组成,具有结构简单、操作方便、省力、重量轻、泄漏小等优点,应用于冶金、石油、化工、电站等工业部门生产过程中的手动调节。


二、主要参数

a10.jpg

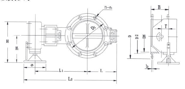
三、外形及安装尺寸

a10-1.png

SWb型手动蝶阀a10-3.jpg

上一条:没有了! 下一条:没有了!

产品展示

联系我们

公 司:南通紫瑞环保科技有限公司

手 机:13773759188

邮 箱:13773759188@163.com

地 址:江苏省南通市海安高新区谢庄村10组

Copyright © 2023-2030南通紫瑞环保科技有限公司 All rights reserved.

中华人民共和国非经营性ICP编号:苏ICP备2023012214号-1

苏公网安备32062102000707

加入成功

×

您已成功将该商品添加到购物车!

购物车当前共有0种商品合计:0.00