
扫二维码查看手机官网
一、用途
倾斜式电动蝶阀,普遍适用于建材、冶金、矿山、电力、石化、轻工等行业中的斜三通管道上含尘量较高的通风、环保工程等管道系统中快速启闭,调节流量大小和切断。
二、结构特点
倾斜式电动蝶阀,采用钢材焊接,阀门的中心线和水平面夹交成一定的角度,适用安装在含尘气体管道分叉处,具有结构合理,体积小、重量轻、流阻小、启闭力矩小,操作灵活、指示方位明确、易操作等优点。
三、性能参数

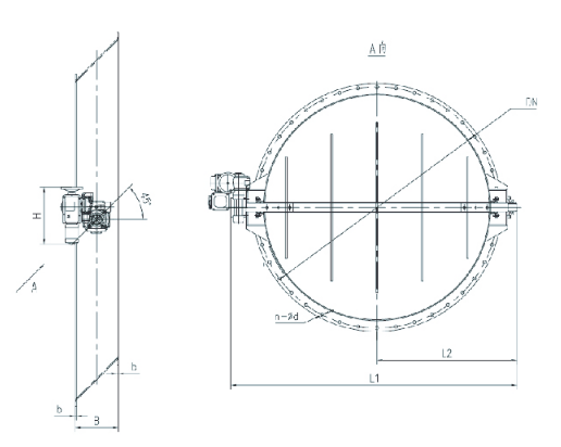
四、外形及安装尺寸

五、订货须知
1、选用订货时,请参照产品样本注明产品的规格、型号及技术参数等(使用温度、设备工况、介质特性)。
2、选用订货时,若未注明客户选用驱动装置代号的按我公司基本型配置,其基本型为普通型配置不带任何有关特殊要求及相关配件,另外如棒条阀是双向的,请在相关文件中注明。
倾斜式电动蝶阀,采用钢材焊接,阀门的中心线和水平面夹交成一定的角度,适用安装在含尘气体管道分叉处,具有结构合理,体积小、重量轻、流阻小、启闭力矩小,操作灵活、指示方位明确、易操作等优点。
公 司:南通紫瑞环保科技有限公司
手 机:13773759188
邮 箱:13773759188@163.com
地 址:江苏省南通市海安高新区谢庄村10组