
扫二维码查看手机官网
高温闸阀适用于建材、矿山、电力、玻璃、轻工等行业的锅炉、窑炉、高炉的余热二次利用及烟气、废气治理的各种热风管道,是节能和切换高温气体的设备。
结构特点
高温闸阀,采用不锈钢和碳素钢焊接。为双层结构,内层衬有阻燃、耐温材料。
高温闸阀驱动方式为分体式,驱动装置不受任何形式的控制,可以随客户的需要安装,驱动形式可以分为卷扬机提升(开关信号),电动执行机构提升(4~2oma电流信号),电液、电动推杆提升(开关信号)。
性能参数

传动装置参数

型号说明
客户选用传动装置说明:
JY表示卷扬机提升式,DX表示电动执行器提升式
DT表示电动推杆提升式,DY表示电液推杆提升式
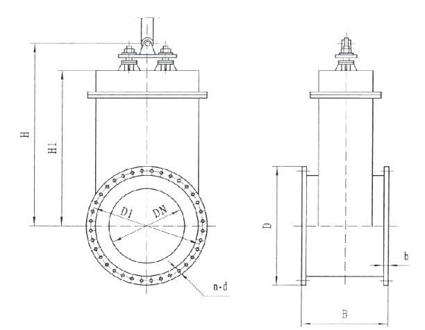
GBZF-700外形图

GBZF-700外形连接尺寸

公 司:南通紫瑞环保科技有限公司
手 机:13773759188
邮 箱:13773759188@163.com
地 址:江苏省南通市海安高新区谢庄村10组