服务热线 全国服务热线:

13773759188

  • ZKJWab-0.1Gkb型电动高温蝶阀
ZKJWab-0.1Gkb型电动高温蝶阀

ZKJWab-0.1Gkb型电动高温蝶阀


    扫二维码查看手机官网


    产品品牌:南通紫瑞

    联系电话:13773759188


一、用途

本蝶阀与电动执行机构配套使用,在冶金、建材、化工、电力等生产过程中对管道中的高温介质按不同的控制信号改变其流量大小,从而实现工业生产过程的自动控制和远程控制。

 

二、主要参数

a2.jpg

a2-2.png

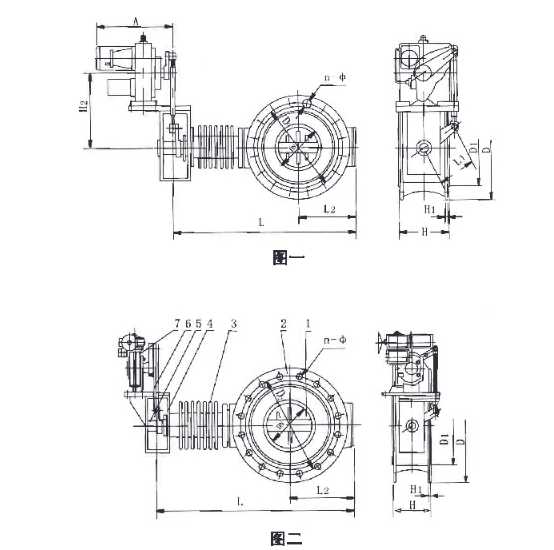
三、外形及安装尺寸:

外形结构图详见图一、图二

外形安装尺寸见表三、表四

a2-3.png

1、阀板 2、阀体 3、散热器 4、支架 5、阀轴 6、连杆 7、B+RS伯纳德执行器


四、型号编制参照附录格式一,电气原理详见附录有关电动执行器说明

配用B+RS伯纳德电动执行器外形尺寸

a2-4.jpg

上一条:没有了! 下一条:没有了!

产品展示

联系我们

公 司:南通紫瑞环保科技有限公司

手 机:13773759188

邮 箱:13773759188@163.com

地 址:江苏省南通市海安高新区谢庄村10组

Copyright © 2023-2030南通紫瑞环保科技有限公司 All rights reserved.

中华人民共和国非经营性ICP编号:苏ICP备2023012214号-1

苏公网安备32062102000707

加入成功

×

您已成功将该商品添加到购物车!

购物车当前共有0种商品合计:0.00