
扫二维码查看手机官网
一、用途
双路输送阀普遍适用于建材、冶金、矿山、石化、电力、轻工等行业,用于高压气力输送水泥、水泥生料、石灰石、煤粉等粉状物质的管道系统中,起输送换向的作用,一般安装在管道的分叉部位。
二、结构特点
双路输送阀,内部换向采用旋转阀盘,由调压装置控制阀盘与密封面的吻合,阀盘外形采用刀口形式,以便在运动中切除密封面上的附着物,保证密封性能,该阀其结构完善,换向灵活、可靠,气密性好,耐磨损等,且输送通道平滑光洁、无卡阻,确保流体通畅,S为蜗轮传动式,D为电动传动式,Y为电液传动式。
三、工作原理
双路输送阀主要由左、右阀体,旋转阀盘,调节装置,密封面及定位凸轮等部件组成,人工手操作手轮带动蜗轮附驱动操作杆,阀盘一起动作,使阀处于直通或支路位置,刻度盘反馈阀盘位置;当驱动装置得到指令动作时,带动操纵杆,阀盘一起动作,使阀处于直通或支路位置,同时反馈位置信号,定位凸轮机构在阀盘到位时,动作电气开关,反馈信号。
四、型号编制说明
s s k-150 S蜗轮传动、D 电动 Y 电液动
五、性能参数

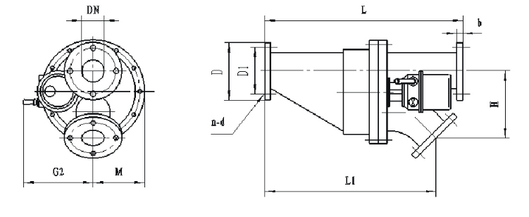
六、外形图

七、SK系统外形连接尺寸:

公 司:南通紫瑞环保科技有限公司
手 机:13773759188
邮 箱:13773759188@163.com
地 址:江苏省南通市海安高新区谢庄村10组